- Главная
- Каталог
- Крепеж
- Фланцы, заглушки, втулки
- Заглушки
- Стальная заглушка
Стальная заглушка
-
Изготовление
Заглушки на трубы стальные используются для закрытия концевых отверстий в трубопроводных системах на предприятиях химической, газовой, энергетической промышленности. Изделие изготавливается из стального листа газовым резом или штамповкой в размерном интервале 32 - 1020 мм. Такие задвижки способны выдерживать температуры -70 -> + 600°С, и давление до 160 кгс/см².
Спецификация
Заглушки из стали выпускаются в нескольких типах:
- Заглушка эллиптическая из нержавеющей стали
Изготавливается из стали марок AISI 304, AISI 321, AISI 316L методом горячей и холодной штамповки.
Характеризуется:
- высокой прочностью и устойчивостью в агрессивных средах
- немагнитностью
- способностью работать при разогреве до предельно допустимых температур
Установка стальной эллиптической заглушки обходится дешевле других видов запорной арматуры по причине низкой цены изделия и его хорошей свариваемости.
- Заглушка фланцевая стальная
Данный вид изготавливается из углеродистых легированных сталей и характеризуется повышенной способностью противостоять действию агрессивных сред. Рекомендована для магистралей:
- с рабочим давлением 10 кгс/см²
- с температурой не выше +800 С
Выполняются в нескольких вариантах, в зависимости от вида уплотнительных поверхностей заглушки:
- под овальные прокладки
- с выступами под соединение
- с впадинами и шипами
Целесообразность установки любого типа определяется по характеристикам конкретного трубопровода.
- Стальные плоские заглушки
Отличаются от эллиптических заглушек прямоугольным сечением. Крепятся на трубу при помощи болтов или сварным способом. Выпускаются с толщиной, составляющей от 2 до 5 мм, с диаметром под стандартный трубопрокат. Материалом служит сталь марок ст.20-45// 12Х18Н10Т// 40Х, 20Х13// 09Г2С//.
Используются при температуре до +800 С и рабочем давлении 10 кгс/см². Могут привариваться к трубам, не подключенным к магистрали во время транспортировки и хранения.
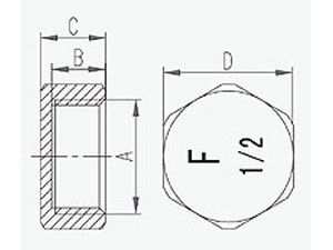
- Заглушки резьбовые стальные
Перекрывают концевые участки трубопроводов, обеспечивают простую установку и демонтаж при помощи разводного ключа. Производятся из заготовок круглой или шестигранной формы с нарезанной внешней и внутренней резьбой.
Резьбовые заглушки по ГОСТу 21873-78 устанавливаются в неагрессивных средах с рабочей температурой от -400 до +1200 С.
Стальные заглушки с резьбой по ТУ-36.1144-83 производятся в трех вариантах:
- с резьбой метрической резьбой М
- с цилиндрической трубной резьбой G
- с конической трубной резьбой K, NPT
Рассчитанная нагрузка в не агрессивной среде – 160 - 250 кгс/см².
Преимущества
Стальные заглушки, независимо от варианта исполнения:
- обладают необходимым уровнем устойчивости
- создают надежное герметичное перекрытие
- легко ставятся и демонтируются
Эллиптические заглушки выдерживают температуру до +6000 С, что делает их универсальным и при этом недорогим элементом.
Санкт-Петербургский завод крепежных изделий предлагает купить стальные заглушки собственного производства. Предоставляется гарантия изготовителя и сертификат соответствия, который отправляется покупателю вместе с партией товара.
Заглушки на трубы стальные используются для закрытия концевых отверстий в трубопроводных системах на предприятиях химической, газовой, энергетической промышленности. Изделие изготавливается из стального листа газовым резом или штамповкой в размерном интервале 32 - 1020 мм. Такие задвижки способны выдерживать температуры -70 -> + 600°С, и давление до 160 кгс/см².
Спецификация
Заглушки из стали выпускаются в нескольких типах:
- Заглушка эллиптическая из нержавеющей стали
Изготавливается из стали марок AISI 304, AISI 321, AISI 316L методом горячей и холодной штамповки.
Характеризуется:
- высокой прочностью и устойчивостью в агрессивных средах
- немагнитностью
- способностью работать при разогреве до предельно допустимых температур
Установка стальной эллиптической заглушки обходится дешевле других видов запорной арматуры по причине низкой цены изделия и его хорошей свариваемости.
- Заглушка фланцевая стальная
Данный вид изготавливается из углеродистых легированных сталей и характеризуется повышенной способностью противостоять действию агрессивных сред. Рекомендована для магистралей:
- с рабочим давлением 10 кгс/см²
- с температурой не выше +800 С
Выполняются в нескольких вариантах, в зависимости от вида уплотнительных поверхностей заглушки:
- под овальные прокладки
- с выступами под соединение
- с впадинами и шипами
Целесообразность установки любого типа определяется по характеристикам конкретного трубопровода.
- Стальные плоские заглушки
Отличаются от эллиптических заглушек прямоугольным сечением. Крепятся на трубу при помощи болтов или сварным способом. Выпускаются с толщиной, составляющей от 2 до 5 мм, с диаметром под стандартный трубопрокат. Материалом служит сталь марок ст.20-45// 12Х18Н10Т// 40Х, 20Х13// 09Г2С//.
Используются при температуре до +800 С и рабочем давлении 10 кгс/см². Могут привариваться к трубам, не подключенным к магистрали во время транспортировки и хранения.
- Заглушки резьбовые стальные
Перекрывают концевые участки трубопроводов, обеспечивают простую установку и демонтаж при помощи разводного ключа. Производятся из заготовок круглой или шестигранной формы с нарезанной внешней и внутренней резьбой.
Резьбовые заглушки по ГОСТу 21873-78 устанавливаются в неагрессивных средах с рабочей температурой от -400 до +1200 С.
Стальные заглушки с резьбой по ТУ-36.1144-83 производятся в трех вариантах:
- с резьбой метрической резьбой М
- с цилиндрической трубной резьбой G
- с конической трубной резьбой K, NPT
Рассчитанная нагрузка в не агрессивной среде – 160 - 250 кгс/см².
Преимущества
Стальные заглушки, независимо от варианта исполнения:
- обладают необходимым уровнем устойчивости
- создают надежное герметичное перекрытие
- легко ставятся и демонтируются
Эллиптические заглушки выдерживают температуру до +6000 С, что делает их универсальным и при этом недорогим элементом.
Санкт-Петербургский завод крепежных изделий предлагает купить стальные заглушки собственного производства. Предоставляется гарантия изготовителя и сертификат соответствия, который отправляется покупателю вместе с партией товара.




